Specification:
|
Model
|
Rated Voltage
Ratio(kV)
|
Accuracy Class
|
Rated
Output(VA)
|
Rated Current Ratio(A)
|
Accuracy Class
|
Rated Burden(VA)
|
|
JLSZXW2-24
|
20/√3/0.1√3
20/√3/0.1
20/√3/0.12
|
0.2
0.5
|
20
50
|
20-40/5
|
0.2S
0.5S
|
12.5
|
Note:
Upon request we are glad to offer transformers accordign to other technical specs.
Application:
use for highest voltage for equipments no more than 17.5kV,for current/voltage measurement in power system.
Features:
1.use high properties iron core to meet high accuracy,big burden etc.
2.use epoxy resin cast insulation structure to improve anti-pollution,anti-moisture etc.
3.use full-sealed cast insulation type.
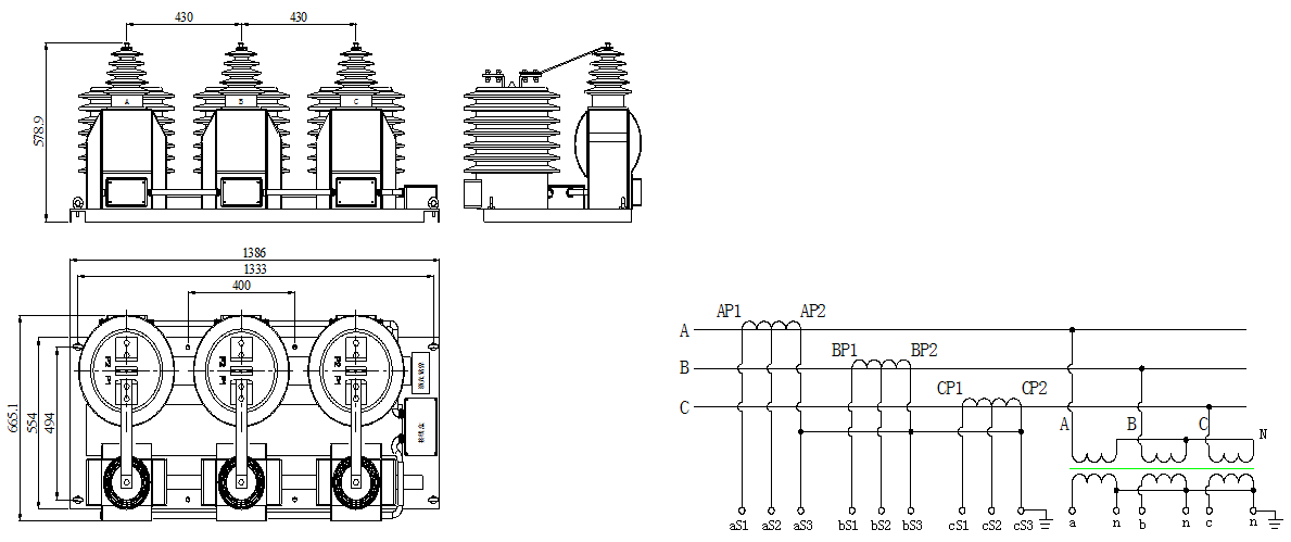
Drawing and Wiring:
